服務熱線
13350355997
作者: 凱潛濾油機 發布時間:2023-11-02 16:27 點擊量: 來源:www.kaiqiancq,com
透平油濾油機和壓力濾油機都是常見的濾油設備,但它們在工作原理和應用范圍上存在一些區別。
一、工作原理:
透平油濾油機:透平油濾油機利用精密機械過濾的原理將油中的雜質分離出來。它包括一級粗濾芯、二級半精濾芯及三級精密濾芯,進行逐級加密納污,當油液進入濾芯后,由于濾芯精度不同產生阻隔,雜質和固態顆粒會被推到濾芯外壁上,清潔的油液則通過濾芯的中心孔流回系統。
壓力濾油機:壓力濾油機利用壓力差將油液通過濾紙進行過濾。油液通過壓力泵加壓,進入濾槽內部,通過濾紙的孔隙大小進行過濾。較小的雜質和顆粒會被濾紙阻擋,而清潔的油液則通過濾芯的通道回到系統中。
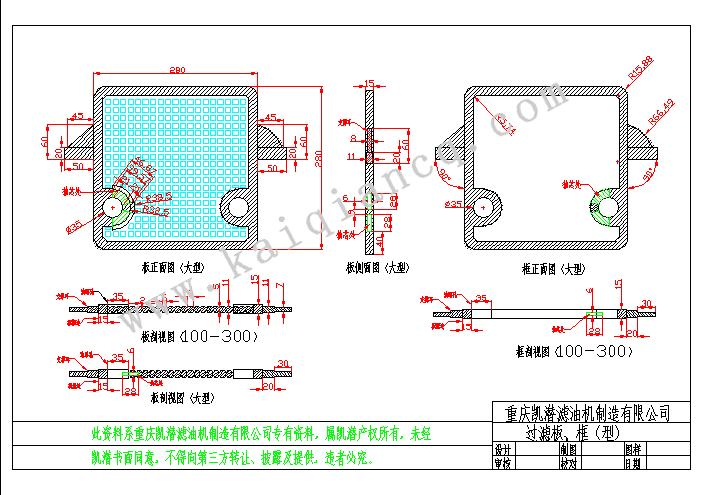
二、濾芯結構:
透平油濾油機:透平油濾油機濾芯第一級采用進口不銹鋼材料與特殊的結構,第二級采用徑向折疊專業濾芯精度高,第三級精密濾芯采用進口濾材,木質纖維濾芯和PH玻纖棉濾芯,該精密濾芯主要采用木質纖維為原材料,具有較大的過濾面積和高效的分離性能,濾芯通量為額定流量的5倍,即使大部分堵塞,仍能滿足濾油流通的需要。
壓力濾油機:采用濾板與框中間夾紙壓緊,然后來過濾潤滑油,主要取決于濾紙的精度達到過濾雜質的目的,濾板及鋁框采用鋁合金材料制成。

三、濾油精度:
透平油濾油機:透平油濾油機通常能夠達到較高的濾油精度,可以有效去除微小顆粒和固態雜質,以保證油液的清潔度。常見的濾油精度范圍為1-5微米。
壓力濾油機:壓力濾油機主要用于去除較大的固態雜質和顆粒,對微小顆粒的過濾效果相對較差。其濾油精度通常在10-50微米范圍內,取決于所使用的濾芯孔隙大小。
四、加熱系統:
透平油濾油機:配備充足的進口法國捷艾碳纖維多極管路循環式加熱器,確保油液快速均勻升溫,而且有效杜絕油品局部受熱不均產生油品碳化劣變。
壓力濾油機: 壓力濾油機不含加熱系統,作為常壓過濾設備,運用也非常廣泛。
五、應用范圍:
透平油濾油機:透平油濾油機常用于精密潤滑油、液壓油、齒輪油等高精度濾油的領域。它適用于對油液中微小顆粒和固態雜質要求較高的場合。
壓力濾油機:壓力濾油機廣泛應用于工業生產中的各類液體過濾,如潤滑油、液壓油、燃油等。它主要用于去除較大顆粒和固態雜質,滿足一般濾油要求。

需要根據具體的應用需求來選擇透平油濾油機或壓力濾油機,以確保能夠達到所需的濾油效果和精度。在某些情況下,可以結合使用這兩種濾油設備,以提供更全面的濾油處理。

地址:重慶市沙坪壩區覃家崗鎮新橋村石梯溝社幸福小區
銷售部:023-65217597
技術部:(86)13350355997
023-65217916
售后部:023-65217916
傳 真:023-65217916
QQ: 2904490491
郵箱: KQGY668@163.com